【干貨】3步教你秒懂農村自建房施工圖紙!
現在的農村朋友建房也開始更多的傾向于買一套專業的施工圖紙,但是又擔憂本村的施工隊不夠專業,擔心自己買回去的圖紙施工隊會看不懂,導致最后的建成效果不如意,那樣就會比較糟心。其實,想要看懂施工圖紙并不難,小編今天就來普及一下農村自建房圖紙的基本知識。
在農村建房,建筑圖主要是表示房屋的規劃位置、外部造型、內部各房間的布置、內外裝修構造和施工要求的圖件。
一、建筑
1.平面布局圖:體現空間內各大功能區域布置和安排的圖紙,細分一層平面圖,二層平面圖,三層平面圖等等。
2.立面圖:體現房子造型與裝修是否美觀和立面裝修的具體做法。主要分為正立面圖,側立面圖,背立面圖,還可細分立面陰影圖(就是有陽光照面時的立體一些的效果圖)。
3.剖面圖:體現地、樓、屋面的構造和樓梯的形式和構造的圖紙。
4.樓梯圖:表現樓梯具體構造的圖紙。
5.大樣圖:比節點圖更加細部化,也就是表達節點圖所無法表達的內容。
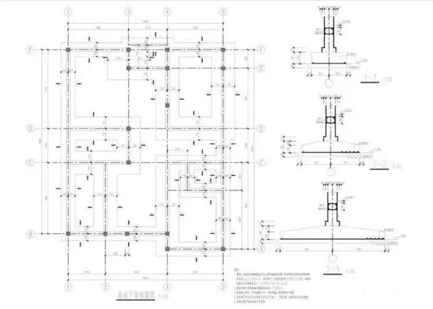
二、結構
1.結構設計說明:結構圖紙是不通用的,因為每個人的宅基地地質情況和設防烈度不同、房子戶型不同、結構布置不同,配筋都會不一樣。
看過很多的農村朋友蓋房子,花了很多冤枉錢,但是該花錢加強的地方卻沒有做好,包工頭只憑借他的經驗說了算,好鋼沒有用到刀刃上,造成很大的浪費。所以經濟條件允許的情況下,做結構設計還是很有必要的。
2.結構圖:主要是用來說明房屋的結構性問題的圖。比如說,用多大的梁,多大的基礎,多大的柱子,多大的鋼筋等。
三、水電
1.給排水設計說明
2.給排水施工圖:給水系統、排水系統具體構造和位置的圖紙。
3.電氣設計說明
4.電氣施工圖:電器設備、電線走向、照明系統具體構造和位置的圖紙。
很多農村建房都不按圖紙施工,全憑經驗,結果建出來的房子,又不好看又不規范,錢花了,但是品質和舒適度并沒有享受到,反而得不償失。所以農村建房還是按照專業的圖紙施工比較好。
.jpg)
本文由別墅圖紙超市編輯發布,如需了解更多,可登錄網站主頁http://www.www.xuzonghao.cn/,或者撥打我們的免費電話400-8080-889在線咨詢。
>>>>推薦閱讀:農村自建房的磚、水泥、砂石用量怎么算?看完你就知道了!
>>>>推薦閱讀:學會快速看懂農村自建房施工圖紙,事半功倍就靠它!
>>>>推薦閱讀:先別急著買房,這幾套農村別墅,拿到圖紙即可施工!